![]() |
CWB型驱动磁力旋涡泵 |
| 流量范围:0.36~14.4m3/h | |
| 扬程范围:30~210m | |
| 使用温度:0~100℃ | |
| 应用于化工、制药、石油、抽送酸、碱液、油类,稀有贵重液、毒液、挥发性液体,以及循环水设备配套、过滤机配套。特别是易漏、易燃、易爆。 | |
| 详细介绍 | |
| 概 述 | |
| CWB磁力涡压泵采用磁力传动结构,无轴封,保证泵点滴不漏的输送液体;通过多家客户使用证明,该泵既具有小流量、高扬程的特点,又具有磁力泵无泄漏的优点。本公司研发团队结合商学院校科研人员,新研发了可空载耐干磨、耐高温、环保的新型磁力涡压泵,为磁力泵不能空转改写了历史的篇章。经过多家用户使用,深受广大用户的青睐和赞美。 | |
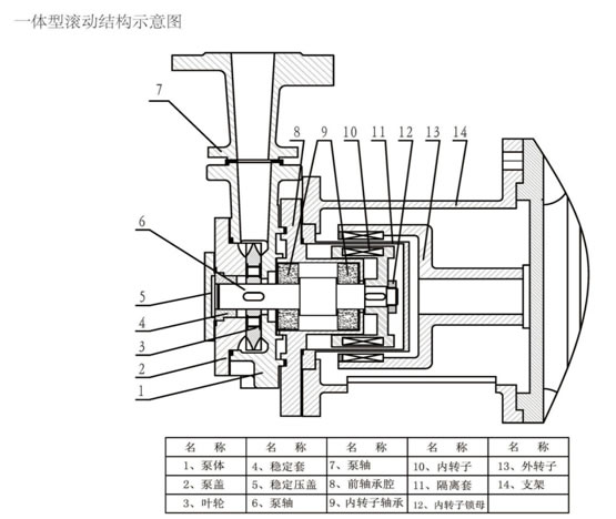
| 结构型式有两种 | |
![]() |
|
![]() |
|
![]() |
|
![]() |
|








